El ahorro energético en la Escola Bressol Marrecs
La Escola Bressol Marrecs consigue ahorrar un 47% del consumo de gas para calefacción gracias a nuestra tecnología de monitorización y control inteligente.
En un plan de mejora de las instalaciones y parámetros ambientales de sus edificios públicos, el Ayuntamiento de Sant Just Desvern (Barcelona) ha puesto en marcha un proyecto en la Escola Bressol Marrecs, para monitorizar, optimizar y controlar:

¿Cómo se está usando la energía?
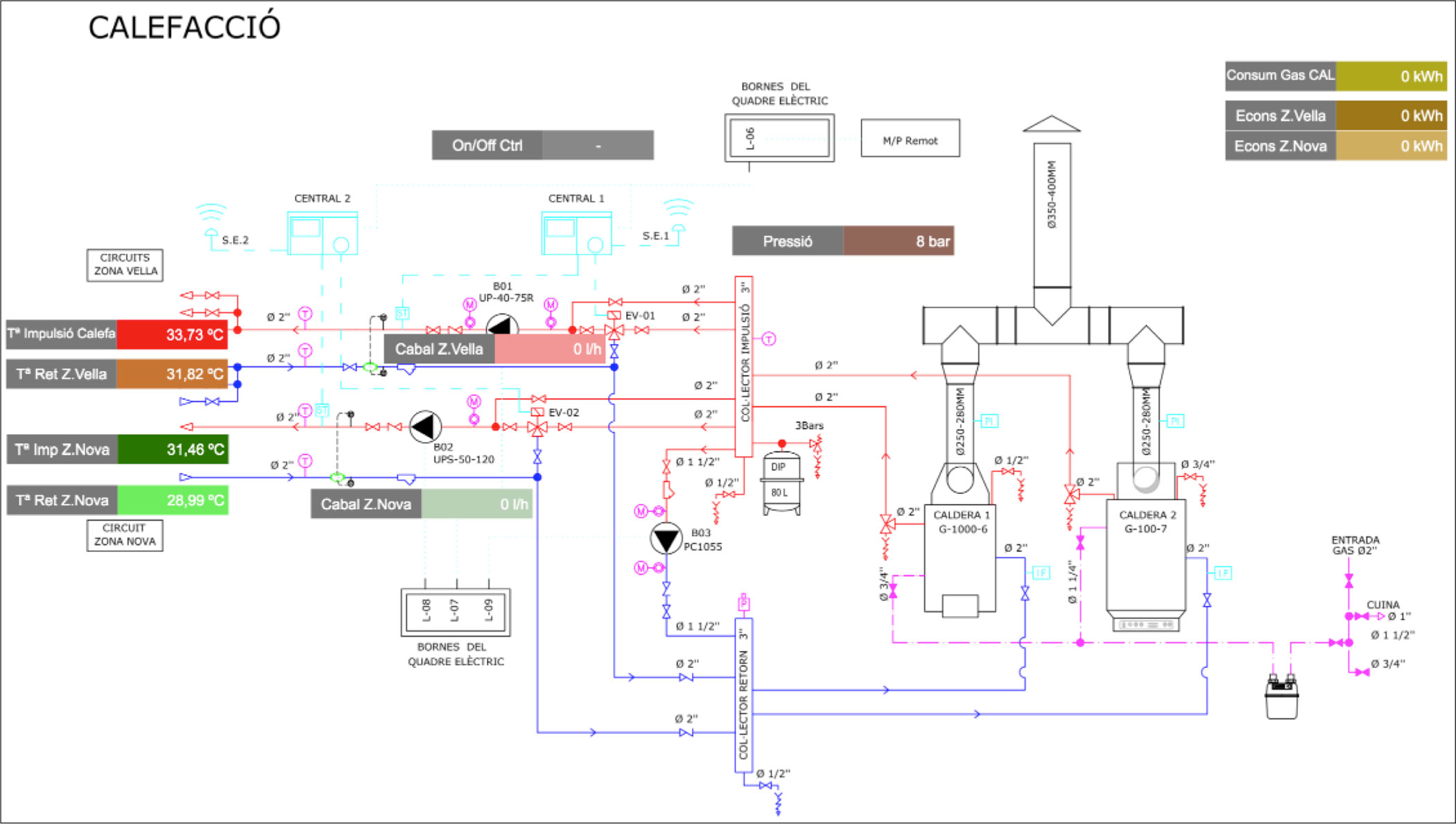
→ MONITORIZACIÓN Y ESTUDIO DE LOS PRINCIPALES ELEMENTOS DE LA SALA DE CALDERAS
La escuela dispone de dos calderas, una para la calefacción y otra para el agua caliente sanitaria (ACS). Adicionalmente la instalación cuenta con un sistema de generación de energía solar térmica que ayuda a reducir el consumo de la caldera de ACS.
A través de la monitorización del consumo de gas de las calderas y de la energía térmica generada por estas, se ha conseguido medir el rendimiento de cada caldera, y de forma similar, el rendimiento de la instalación solar térmica.
Con esta información, el ayuntamiento dispone ahora de una valiosa herramienta que le permite comparar el rendimiento de otras salas de calderas en diferentes edificios y evaluar la necesidad de renovar sus instalaciones, pudiendo además calcular el tiempo necesario para amortizar la inversión, y así determinar el momento ideal para llevarla a cabo.
Por otro lado, con el objetivo de realizar un mantenimiento preventivo que permita mejorar el rendimiento, reducir sobrecostes y detectar posibles anomalías también se han monitorizado otras variables, como la temperatura de los depósitos, y las presiones de los distintos circuitos hidráulicos.
Asimismo se ha monitorizado el sistema de recirculación –necesario, entre otros motivos, para prevenir la legionelosis– cuyos costes pueden incidir notablemente en el balance total.
→ CONTROL REMOTO AUTOMATIZADO
Se ha instalado y programado un controlador del fabricante Carlo Gavazzi para que encienda o apague las calderas en base a las órdenes recibidas de la plataforma SmartDataSystem.
Por su parte, la plataforma optimiza el encendido y apagado de las calderas en base a la temperatura de las aulas de la escuela, lo que permite minimizar el consumo de gas de las mismas y asegurar un mayor confort a los niños en las aulas.
Condiciones de confort en las aulas
→INTEGRACIÓN DE SISTEMAS
A través de un datalogger se han recogido todos los datos de los sensores ambientales (temperatura y humedad relativa) ya presentes en el edificio para integrarlos con el resto de señales en la plataforma de monitorización.
Esta información es indispensable para el control efectivo de las calderas y por lo tanto para asegurar el confort y bienestar de los niños y de los trabajadores de la escuela.
Calidad de aire y temperatura interior y exterior
→ INSTALACIÓN DE SONDAS DE CALIDAD DE AIRE Y TEMPERATURA
Se han instalado sondas para conocer la calidad del aire (partículas en suspensión PM2.5) así como la temperatura y la humedad relativa en el exterior y en la sala técnica.
Resultados
Las diferentes soluciones se han llevado a cabo mediante la instalación de varios equipos de campo (contadores de energía térmica, sondas de temperatura y de presión, contadores de gas, sensores ambientales) y la personalización de la plataforma SmartDataSystem para la visualización, el análisis y el control de los activos monitorizados.
→Ahorro mensual del 47% en CONSUMO DE GAS
→Conocimiento del RENDIMIENTO REAL de las instalaciones
→Mejora del CONFORT y BIENESTAR de los niños en las aulas
Las cookies técnicas son absolutamente esenciales para que el sitio web funcione correctamente. Esta categoría solo incluye cookies que garantizan funcionalidades básicas y características de seguridad del sitio web. Estas cookies no almacenan ninguna información personal.
Las cookies que pueden no ser particularmente necesarias para que el sitio web funcione y se utilizan específicamente para recopilar datos personales del usuario a través de análisis, anuncios y otros contenidos incrustados se denominan cookies opcionales. Es obligatorio obtener el consentimiento del usuario antes de ejecutar estas cookies en su sitio web.